The MGA With An Attitude
MGAguru.com MGAguru.com
MGA Part Numbers - AEH549
PART NO.  SPL.PAGE  DESCRIPTION                                                            
AEH549    TC.A.1    Stud for cylinder head (10) -(cyl.block assy, engine, Twin Cam)
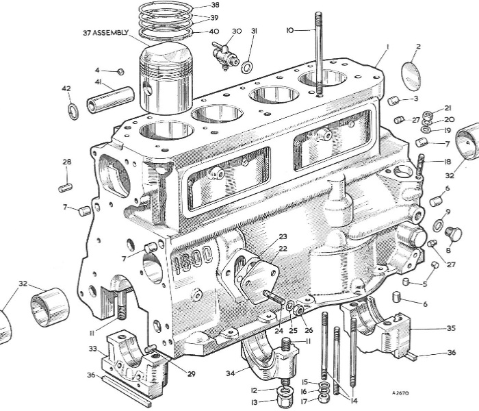
MGA Twin Cam head stud AEH549 Stud is item #10 in illustration below, ten studs used to secure the cylinder to the engine block.
High strength stud
Length = 5-1/4"
Top end thread = 1/2-20-UNF x 1" long
Bottom end thread = 1/2-13-UNC x 3/4" long
MGA Twin Cam engine block parts
HomeBackTopNext
Thank you for your comments -- Send e-mail to <Barney Gaylord>
© 2026 Barney Gaylord -- Copyright and reprint information