The MGA With An Attitude
MGAguru.com MGAguru.com
MGA Part Numbers - CHS0520
PART NO.  SPL.PAGE  DESCRIPTION                                                            
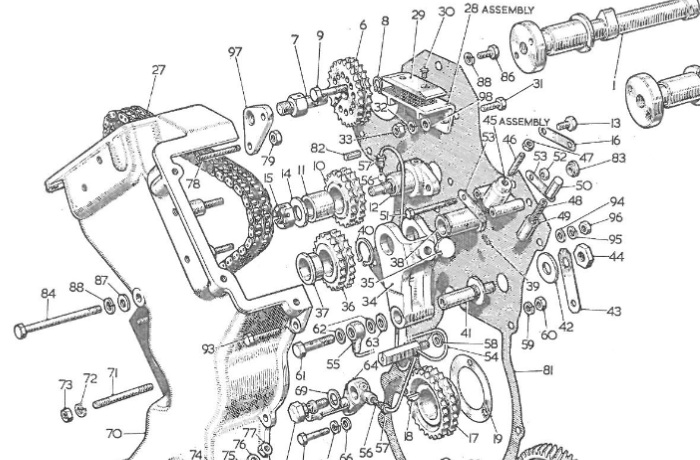
CHS0520   TC.A.9    Stud for water pump (3) -(case front timing, camshaft, Twin Cam)
CHS0520 Stud is item #71 below (3), used to secure water pump to front cover (Twin Cam engine).
High strength stud (55-ton).
Length = 2-1/2"
Top end thread = 5/16-24-UNF x 5/8"
Bottom end thread = 5/16-18-UNC x 15/32"
Notice that original CHSxxxx studs have short dog point on top end, which males it very easy to start the nut.
A leading "0" means plain stud. -- A leading "2" means zinc plated.
MGA Twin Cam cam drive parts
HomeBackTopNext
Thank you for your comments -- Send e-mail to <Barney Gaylord>
© 2026 Barney Gaylord -- Copyright and reprint information